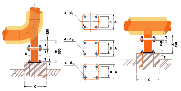
|
Pipe
Size
|
D
|
A
|
B
|
T
|
d1
|
d2
|
C
|
Bolt
/ Nut ( M )
|
Anchor
/ Bolt ( M )
|
|
B
|
A
|
|
1-1/2"
|
40
|
1-1/2
|
140
|
90
|
6
|
14
|
16
|
250
|
12
x 35
|
12
x 200
|
|
2"
|
50
|
2
|
140
|
90
|
6
|
14
|
16
|
250
|
12
x 35
|
12
x 200
|
|
2-1/2"
|
65
|
2
|
140
|
90
|
6
|
14
|
16
|
250
|
12
x 35
|
12
x 200
|
|
3"
|
80
|
2
|
140
|
90
|
6
|
14
|
16
|
250
|
12
x 35
|
12
x 200
|
|
3-1/2"
|
90
|
3
|
140
|
90
|
6
|
14
|
16
|
250
|
12
x 35
|
12
x 200
|
|
4"
|
100
|
3
|
140
|
90
|
6
|
14
|
16
|
250
|
12
x 35
|
12
x 200
|
|
5"
|
125
|
4
|
160
|
120
|
6
|
18
|
22
|
250
|
12
x 35
|
12
x 200
|
|
6"
|
150
|
4
|
160
|
120
|
6
|
18
|
22
|
250
|
12
x 35
|
12
x 200
|
|
8"
|
200
|
6
|
210
|
160
|
6
|
18
|
22
|
350
|
16
x 35
|
20
x 250
|
|
10"
|
250
|
8
|
260
|
200
|
12
|
22
|
24
|
350
|
20
x 35
|
20
x 250
|
|
12"
|
300
|
10
|
320
|
250
|
16
|
22
|
24
|
400
|
20
x 60
|
20
x 250
|
|
14"
|
350
|
10
|
320
|
250
|
16
|
22
|
24
|
400
|
20
x 60
|
20
x 250
|
|
16"
|
400
|
12
|
350
|
280
|
16
|
22
|
24
|
450
|
20
x 60
|
20
x 250
|
|
18"
|
450
|
14
|
400
|
320
|
16
|
22
|
24
|
500
|
20
x 60
|
20
x 250
|
|
20"
|
500
|
14
|
400
|
320
|
16
|
22
|
24
|
500
|
20
x 60
|
20
x 250
|
|
22"
|
550
|
14
|
400
|
320
|
16
|
22
|
24
|
500
|
20
x 60
|
20
x 250
|
|
24"
|
600
|
14
|
400
|
320
|
16
|
22
|
24
|
500
|
20
x 60
|
20
x 250
|
|